EWD-L-MSJ4-X1 Series of intelligent elevator weighing device technical documents of the [user manual]
U s e r s G u i d e
EWD-L-MSJ4-X1
(V2.3)
EWD-L-MSJ4-X1 Series of intelligent elevator weighing device technical documents of the [user manual]
Page
27
2
2019.11
Note: the system is applicable to "moving car" elevators. Please read the following sections carefully before using.
Notice:
in any case, we are only responsible for the quality of the products within the warranty period.
Statement: due to technological progress, the company reserves the right to change the product;For the technical parameters,
please refer to the random product manual.
Table of Contents
Product Overview
一、“EWD-L-MSJ4-X1”The main functions and characteristics of
the weighing device
P3
二、“EWD-L-MSJ4-X1” Weighing Device Working Principle
…………
P3
三、Controller and display appearance and description
…………
P4
四、Controller interface diagram and description
…………
P5
五、Controller dimensions
…………
P7
六、Installation of sensors and controllers
…………
P7
Installation & Adjustment
七、Button function and instruction code meaning explanation
Sensor dimensions and installation location diagram and
installation precautions
…………
P8
八、System debugging methods and instructions (self-learning)
…………
P10
1.Elevator Rated load rang setting
…………
P11
2.No-load self-study mode of work
…………
P12
3.The amount of self-learning work mode
…………
P13
九、Multiplier parameter setting and description (auxiliary
function)
…………
P14
System Characteristics
十、Technical Specifications
…………
P15
Promise
…………
P17
Attachments
Load sensor dimensions and installation
P17-25
EWD-L-MSJ4-X1Series of intelligent elevator weighing device technical documents of the [user manual]
Page
27
3
2019.11
System overview
. “EWD-L-MSJ4-X1”The main features of the weighing device:
1. The normal work of the product, the direct display of the car internal payload, And can output to the external large screen
synchronous display of internal payloadself-learning process is simple.
2. Intelligent programming and control process, according to different customer needs, It is possible to adjust the percentage of
load corresponding to any one of the 4-channel switching signals output by the controller and the output of turn-off/turn-off, and
the output simulation The amount of the way to modify.
3. Intelligent sensor equipment: the use of high-precision load intelligent sensor, direct detection of car load changes;
4. Wide measurement range (payload can be manually set according to demand), high positioning accuracy, intelligent
temperature compensation.
5. Electrical performance in line with the "International Electrotechnical Commission (IEC)" standard requirements;
6. The core uses high precision load cell and high performance single chip microcomputer. Can set all the working parameters.
7. Unique programmable output signal control mode, suitable for a variety of activities of the car to mention the elevator
weighing signal on the demand.
8. With the working parameters of artificial fine-tuning correction ability, the elevator can be modified after the artificial
correction, so as to achieve the purpose of accurate measurement.
9. Unique sensor + controller+ display design structure, wiring is simple.
10. Everything from the user point of view, easy to install, easy to debug, reduce the use of additional costs, performance and
high cost.
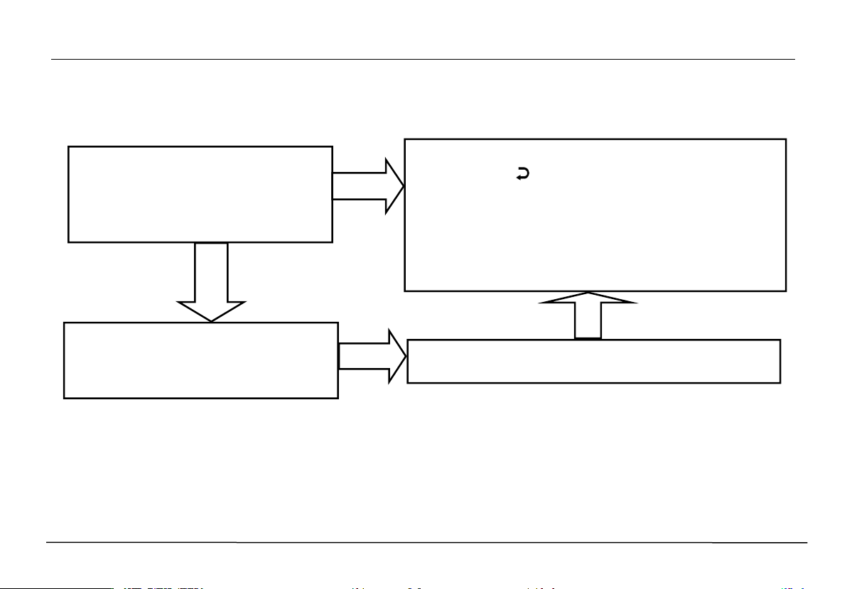
. “EWD-L-MSJ4-X1”working principle
With the continuous progress of elevator technology, elevator weighing device on its performance has been
to the point where it can not be ignored. Elevator on the weighing device of high precision, high reliability,
multi-functional needs are imminent. In the sensor technology and micro-computer continues to develop today,
the use of high accuracy sensor to detect the elevator car due to load changes caused by electrical signals.
High accuracy sensor,the use of serial communication technology for its long-distance high-precision
non-destructive transmission; sensor comes with 8 ~ 10m signal transmission cable; at the same time,the
microcontroller is used to carry out scientific calculation and processing,finally, the payload in the cage can be
displayed synchronously on the digital tube of the controller and the large external screen.it can realized the
function of weighing the effective load of the elevator car.
EWD-L-MSJ4-X1 Series of intelligent elevator weighing device technical documents of the [user manual]
Page
27
4
2019.11
. Controller and load sensor Appearance
1. Elevator load weighting device“EWD-L-MSJ4-X1”Controller
EWD-L-MSJ4-X1
2
.LED Large Screen Display
Model
Display
Physical appearance
of the monitor
Qualification
definition
BrownDC24V+ BlueCOM
BlackSignal+ GrayGray
Wire Length 6m
EWD-L-MSJ4-X1Series of intelligent elevator weighing device technical documents of the [user manual]
Page
27
5
2019.11
3.The appearance and model name of sensor products,Please check the attachment.
四.Controller interface diagram and description
1. Controller interface diagram
EWD-L-MSJ4-X1 Series of intelligent elevator weighing device technical documents of the [user manual]
Page
27
6
2019.11
2.Controller port details
Function
Explanation
PJ
Switching
1
J1Relay COM port
With the P2 to produce effective logic
1.FunctionBe
programmed as“J1
J4”(No load - over
load)output signals to
participate in elevator
logic control.
2.Max loading Capacity
DC/AC 48V/500mA
2
J1Relay Output
system default“J1” 5Kg No load Dynamic open
output
3
J2J3J4 Relay com port
With P4.P5.P6to produce effective logic
4
J2 Relay Output
system default“J2”Light load Dyn. Close output
5
J3 Relay Output
system default“J3”Related load Dyn close output
6
J4 Relay Output
system default“J4”Overload Dyn,open output
PM
Lock
1
Lock signal COM port
Note the voltage difference and the connection polarity when connecting
2
DC+24V lock signal Can
access the door lock signal
and brake signal
PX
Analog
3
010V;100V;Analog
voltage output
Used for pre-torque compensation of the drive system
4
COM Connect the governor
to the analog common
PV
Power supply
System power supply portAC/DC 24V200mA
PG
Sensor
connectio
n port
PG
1
PG
4
PG is connected with sensor with signal cable
Display
External
monitor
connectio
n port
Port access black and gray
signal line
Power supplyDC+24V/500mA
EWD-L-MSJ4-X1Series of intelligent elevator weighing device technical documents of the [user manual]
Page
27
7
2019.11
It is absolutely impossible to connect the output port other than the "PV" device directly to the external power
supply, which may cause permanent damage.
(Note:PX and PM port with Polarity requirements and voltage rating requirements)
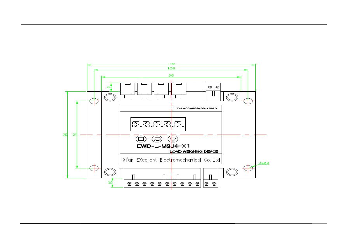
五、Controller Dimensions
六、Installation method of sensor and controller
1.The controller should be installed in the control box on the top of the car, preferably not close to the electric control system
transformer, governor and other equipment of the elevator.In any case, the sensor and controller should be installed away from the
heat source;
EWD-L-MSJ4-X1 Series of intelligent elevator weighing device technical documents of the [user manual]
Page
27
8
2019.11
2. The connection between the sensor and the controller should not be in the same wiring slot with 110V, 220V and other power
sources;
3. Connect the sensor wiring port to the PG port of the controller, and at the same time, PV can access the power line according to the
system requirements. Be sure to pay attention to the voltage level;
4. When the system is powered on after the check is correct, the controller should display the corresponding working mode.
Button Function and Instruction Parameter Code Meaning Description
1.
Button Meaning and Function Description
No.
Button icon
Function
Explanation
1
Set and confirm ButtonSET
Set a parameter and confirm the internal data function
2
Switch / cursor shift Button(SHIFT)
Used to switch the digital display digit
3
Data increase ButtonADD
Change the internal value of the parameter
2.Button to use method description
Set and confirm buttonInstructions
When power is displayed, press itEnter the parameter setting statusby and button Enter the setting parameter
Can be set accordingly.Finish setting pressbutton checkSave the parameters.
Switch / cursor shift buttons Instructions
In the parameter setting statepress once The cursor moves one by one to the last onePress the toggle / cursor shift button
And cycle back to the first place.
Data increase buttonInstructions
In the parameter setting statepress onceAdd one to the cursor bit data, add the maximum value of the set data and then cycle
back to the minimum value of the data.
3.With the decimal point of the parameters of the process of adjusting the use of key examples:
After powering on the product, press button to enter the instruction setting state. When "00000" is displayed, press button
EWD-L-MSJ4-X1Series of intelligent elevator weighing device technical documents of the [user manual]
Page
27
9
2019.11
to move the flashing cursor to the last digital tube. Presskey to adjust the digital display to "00001", pressbutton to enter
the command parameter setting state, digital display "dd - c", press buttons to enter this Parameter modification mode, display
"00001" means that the decimal point is 1 bit. Press and to change the digital tube display to "00002", press key
to confirm this parameter is modified, the digital tube decimal point will move one by one. (Note: other instruction item parameters
can be modified and confirmed in accordance with this method.)
4.Instruction Parameter Code Meaning Description
No
Instruction
parameter code
Function
code
Code default
data
Function and explanation
1
00001
dd--c
00001
Display the decimal point position setting, the factory default for the 1-bit
display "00001", adjustable 4 decimal point adjustment
2
00002
Lc--01
1000.0
The amount of load range set, according to the different capacity of the
elevator directly to the manual set to the load range can be
3
00003
Bj--1
0005.0
J1 for the no-load signal output corresponding to the car load, the default
setting elevator car load 5.0kg
Bj--2
0005.0
J2 for the light load signal output corresponding percentage, the default
setting for the amount of 5% output action,
BJ--3
0090.0
J3 for the full load signal output corresponding percentage, the default
setting for the amount of 90%,
BJ--4
0105.0
J4 for the overload signal output corresponding percentage, the default
setting for the amount of 105%,
4
00004
BJ-HL
BJ1-L
J1 relay dynamic output, dynamic (L)
BJ2-H
J2 relay moving output, moving together(H)
BJ3-H
J3 relay moving output, moving together(H)
EWD-L-MSJ4-X1 Series of intelligent elevator weighing device technical documents of the [user manual]
Page
27
10
2019.11
BJ4-L
J4 relay dynamic output, dynamic (L)
5
00005
DA--C
DA-00
Analog output mode corresponds to P9 ~ P10 terminal port output 0 ~ 10V
DA-01
Analog output mode corresponds to P9 ~ P10 terminal port output 10 ~ 0V
6
00006
HELP-
---01
Restore factory settings
7
00007
BZ--C
BZ-01
Multiplier parameter setting, multiplied by the amount of 1 times, "01 ~ 99"
value corresponding to the amount of 1 to 99 times the amount of
adjustable; multiplier parameters to be modified after the completion of
self-learning after the completion of confirmation
8
00008
L-H-2
LL--1
The controller learns the no load parameter;
HH--1
The controller self - learns the load parameter
9
00009
l-h-2
1000.0
Fine-tuning the coefficient setting to fine-tune the learning results
八、System debugging methods and instructions (self-learning)
Here to lift the amount of 1000Kg as an example to describe the load range setting and "no load and the amount of two
self-learning" process
Before the system debugging
.Products must be in strict accordance with the "EWD-L-MSJ4-X1 user manual" for self-learning, otherwise it will cause the product
can not be used and product measurement accuracy is not accurate.
.Before commissioning, it is necessary to specify the weight of the car. The weight of the truck can not exceed the total range of the
sensor. Otherwise, the sensor will be damaged and the product will not be used
.
EWD-L-MSJ4-X1Series of intelligent elevator weighing device technical documents of the [user manual]
Page
27
11
2019.11
1. Elevator load range setting
Note:①1. Product digital tube display the default decimal point to 1, the unit is Kg, For example :the case shows
"1000.0", that is,1000kg.
.
Check that the sensor wiring is correct;
.Confirm the signal grade and polarity of the product
terminals, and after the plug is firmly connected, the
product is powered on and the digital tube is displayed
normally
NO
System digital tube normal displaypress■】Set the key to
enter the command selection stateWhen show 00000
press
and
【▼】
button Change the digital tube display to
00002
After the load range setting command
press
【■】
when showLc--01press again【■】Enter the load scale to
modify the statepress and 【▼】Change the digital tube
display to
1000.0
”,
press
【■】
Confirm and save the range
of 1000Kg of data
Example: elevator capacity of 1000kg, that
is, the amount of load range set to 100% of the amount of
"1000.0" can)
Ensure that the power supply circuit and the sensor are
connected properly after power supply.
Yes
yes
Restore factory default method
Double-click the quick recovery method
Turn on the
power
press same time
and
【▼】
10slater
when
showHELP-The internal setting has been restored to
the factory settings
Instruction parameter confirmation method
Turn on the
power
press
【■】
enter
00000
Command selection
interfacepress and 【▼】Change the digital tube
display to00006press【■】enterhelp-press again
【■】,
to restore the factory settings.
yes
EWD-L-MSJ4-X1 Series of intelligent elevator weighing device technical documents of the [user manual]
Page
27
12
2019.11
2. Attention: product no-load self-learning before the car must ensure that there is no load and debris,
otherwise it will lead to a greater error in the weighing effect.
product no-load - the two-point self-learning process, must be "LL-01" first study no-load, "HH - 1"
retraining, otherwise it will lead to the product can not be used.
Contact power supplypressEnter the command selection statewhen
show“00000press andChange the digital tube display to“00008”
presswhen show“L-h-2pressto enter the command parameter
modification statewhen show “LL-01”In the car when no loadpress
to confirm and save the load data of the empty car at this timeSave success
show "HH - 1", thus no longer successful learning.
Has been successfully completed the elevator
rated load range set, the elevator car weight
and rated load no longer change
Yes
Elevator due to late decoration, car weight has
changed, or because the customer needs to
modify the rated load.
Follow the first step to complete the elevator scale setting operation.
NO
No
yes
EWD-L-MSJ4-X1Series of intelligent elevator weighing device technical documents of the [user manual]
Page
27
13
2019.11
3.Lift the amount of self-learning process
After successful completion of the no-load self-learning process,
add 100% of the load weight to the elevator car when the product
"HH-1" is displayed. (For example, this elevator is set to 1000Kg,
The weight of the weight of 1000Kg), press the key to
confirm and save the load data of the car. When the digital
display "1000.0", this time shows the car is the actual load value,
the flag from the self-learning completion.
Digital display of the current load
data, this mark the product from the
successful study, into the normal
working condition.
No
Due to self-learning misuse (elevator load and
weight changes), resulting in digital tube display
weight and car load does not match or the error
is too large, you need to restore the factory
settings, re-self-learning.
Restore factory default method
Double-click the quick recovery methodTurn on the powerpress
same time
and
【▼】
10slater
when show
HELP-
The internal
setting has been restored to the factory settings
Instruction parameter confirmation methodTurn on the powerpress
【■】,enter00000Command selection interfacepress
and
【▼】
Change the digital tube display to
00006
press
【■】
enterhelp-”,press again【■】,to restore the factory settings.
yes
yes
EWD-L-MSJ4-X1 Series of intelligent elevator weighing device technical documents of the [user manual]
Page
27
14
2019.11
九、
Multiplication parameter setting process description (auxiliary function)
):
Note:Repeated parameter debugging must be in the product after the completion of Chapter 8 product self-learning process before
they take effect. Multiplier parameter adjustment range of "01 ~ 99", that is, the product multiplier for the amount of 1 to 99 times
the amount for customers to choose. The product default multiplier parameter value is 1 times the amount of time to restore the
factory settings after the product multiplier parameters are restored to the product default multiplier parameter value of the rated
load of 1 times.
1.Multiply parameter setting process
2.for example
Has completed the amount of 1000kg self-learning process of the product, into the normal working condition. At this time
digital tube Display "1000.0" for the current car payload value of 1000kg.
According to the above parameter setting process will be multiplied parameter value is set to "bz-05", and successfully saved 5
times
Parameter value. At this point the product light load action load value from the original 1000kg * 5% = 50kg also doubled, this
When the product in the 1000kg * 5 * 5% = 250kg output light load switch signal. And so on, the load signal and
The load value of the overload signal is also increased by 5 times. The output of the product will also be based on the load of the
elevator Suitable for moving car/fixed car bottom elevator
Corresponding to 5 times the value of the analog output changes.
When the system is displayed normally,Press to enter the instruction selection state, and when "00000" is
displayed press and【▼】button to change the digital tube display to "00007". "Press 【■】 key to display
"bz - c", press the key again to enter the command parameter to modify the state, the product digital hanging
display "bz-01" (after the two digital display "01" That is doubled. For example, when the doubling parameter value is
"05", the frontal load of the elevator doubles 5 times, and the product output switch quantity and analog quantity will
make the corresponding doubling change.) Press the [ ] key to modify the digital tube display to the required
increment, press the [] key to confirm and save the doubling parameter.
EWD-L-MSJ4-X1Series of intelligent elevator weighing device technical documents of the [user manual]
Page
27
15
2019.11
System Features
十、Technical Specifications
1
Application
.Suitable for the use of movable car/fixed car bottom elevator.
.The load is used in (500 Kg ~5500 Kg) traction drive fixed car bottom elevator.(the measuring
range of the sensor depends on the traction ratio of the elevator, the weight of the elevator car and
the rated load, special instructions are required when ordering)
2
Floor Compensation
Artificial changes in learning errors and fine-tuning
3
Sensitivity
Elevator Rated Capacity/1000kg(ExampleThe rated capacity is 1000 , and the sensitivity is 1 )
[This data may be affected by elevator mechanical performance)
4
System Error
≤0.25(540)
5
Non-Linearity
≤0.25
6
Output Mode
Programmable
4-way switch
signal
4-channel programmable output modes are: No load, light load,rated load,
overload (customer may set the changing range freely)
Each channel can be programmed as dynamic Close or Open contact
Contact CapacityDC/AC 48V/100mA
Linear
analogue
Full compensation range 010V;100V
7
Ambient Temperature
-2055
8
Relative Humidity
20%90RH
9
Reaction Time
≤0.25 seconds
10
Power supply
AC/DC24(±10%)V200mA
11
Installation Place
Load sensor :under movable car platform
Controller :control Cabinet in machine room
Display: the users in the cage adjust their positions according to their needs
12
Overall Size
Controller parts115×90×40 mm3
Note: Use of strength exceeding the limit parameters listed above may result in abnormal system operation or
permanent damage.
EWD-L-MSJ4-X1 Series of intelligent elevator weighing device technical documents of the [user manual]
Page
27
16
2019.11
Promise
If this system appears any quality problem of product itself in 1 year after delivery, it will be replaced freely
damage of the product seal will not be dealt with
For any requirement of special functions, make it out by mail.
Any system abnormality in adjustment or operation, please contact our company directly.
Other
Packing list
EWD-L-MSJ4-X1 Controller
1set
Φ4×20mm
Fastening Screw sets
4sets
User’s Guide
1pcs
Display
1pcs
Sensors and accessories
undetermined
EWD-L-MSJ4-X1Series of intelligent elevator weighing device technical documents of the [user manual]
Page
27
17
2019.11
Φ
68
25
10
22
4-
Φ
14
4-M10
Φ
86
Φ
20
Attched document
Load sensor dimensions and installation
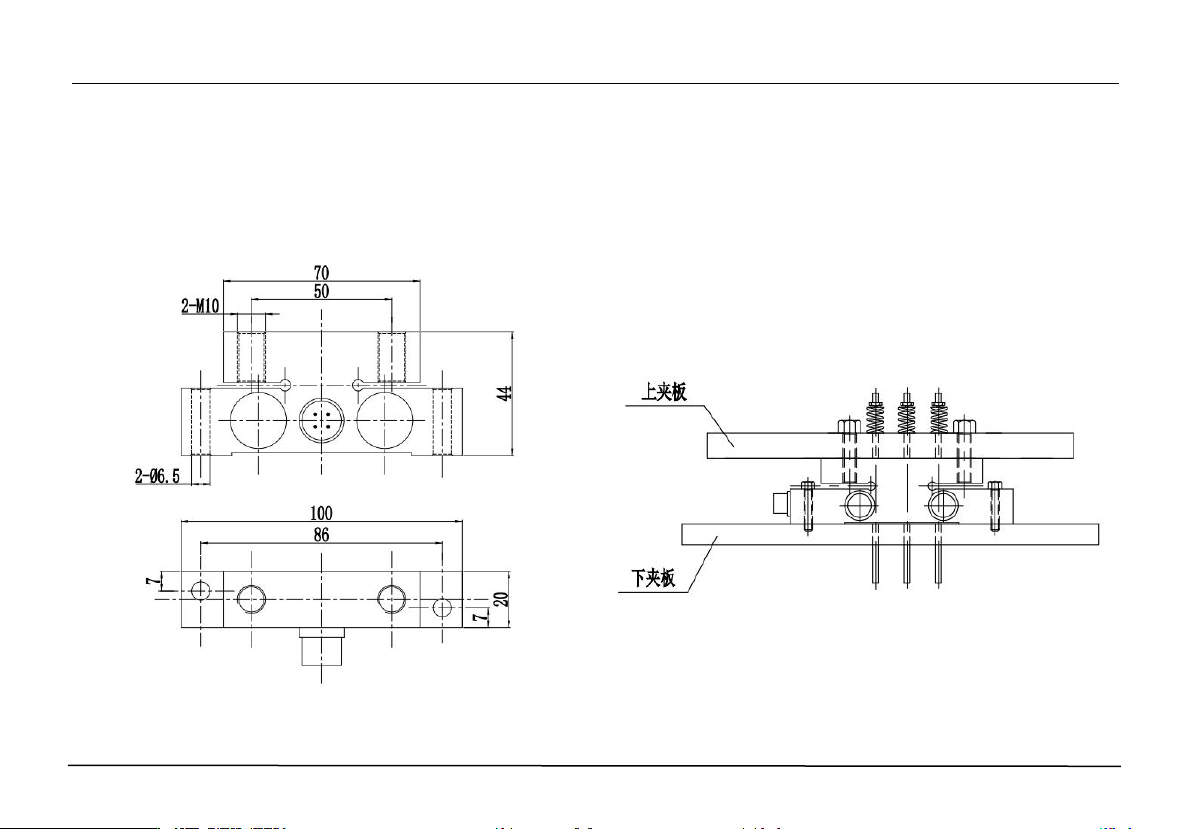
1. XCL-Y/8625 loading Sensor size and installation method
1.1 size (range:12KN、22KN、30KN、40KN、50KN、70KN)
EWD-L-MSJ4-X1 Series of intelligent elevator weighing device technical documents of the [user manual]
Page
27
18
2019.11
Bar size chart
1.2 install method
EWD-L-MSJ4-X1Series of intelligent elevator weighing device technical documents of the [user manual]
Page
27
19
2019.11
Range
Size
KN A B
20
50
216 192
260 238
2. XCL-ZL/W Standard character tension sensor size and installation method
2.1 Size of load sensor 2.2 install method
EWD-L-MSJ4-X1 Series of intelligent elevator weighing device technical documents of the [user manual]
Page
27
20
2019.11
Range
Size
KN
10
15
20
30
A B C
Thread hole depth
H
50
70
100
150
25 8 12.5
Through-hole
41
25 8 12.5
Through-hole
41
25
8
12.5
Through-hole
41
35 10 12.5
Through-hole
48
35 10 12.5
Through-hole
48
35 8 17 1860
35 8 1760
35 8 2170
18
18
3.XCL-T/A Standard character load sensor size and installation method
3.1 load sensor size
3.2 install method
150
C
90
H
B
120
5
2-
Φ
8
2-M10(
A
EWD-L-MSJ4-X1Series of intelligent elevator weighing device technical documents of the [user manual]
Page
27
21
2019.11
Range
Size
KN A B
Thread hole depth
H
30
50
70
100
150
10 12.5
Through-hole
48
10 12.5
Through-hole
48
8
17
1860
8 17 1860
8 17 1870
4.XCL-T/B Standard character
load sensor size and installation method
4.1 load sensor size
4.2 install method
150
128
108
90
H
35
5
2-
Φ
11
A
B
2-M10
5
孔深
EWD-L-MSJ4-X1 Series of intelligent elevator weighing device technical documents of the [user manual]
Page
27
22
2019.11
5.XCL-ZL/P2 load sensor dimensions and installation method
5.1 size(range :5KN 、8KN) 5.2 install method
EWD-L-MSJ4-X1Series of intelligent elevator weighing device technical documents of the [user manual]
Page
27
23
2019.11
6.XCL-ZL/P3 load sensor dimensions and installation method
6
.1 size(range :5KN 8KN) 6
.2 install method
EWD-L-MSJ4-X1 Series of intelligent elevator weighing device technical documents of the [user manual]
Page
27
24
2019.11
7.XCL-YH/7910 load sensor dimensions and installation method
7.1 size(range 10KN
EWD-L-MSJ4-X1Series of intelligent elevator weighing device technical documents of the [user manual]
Page
27
25
2019.11
7.2 install method
Precautions for installing controllers and sensors
1. The controller part should be installed in the control box
on the top of the car, and it is best not to be close to the
elevator electronic weighing device transformer, governor
and other equipment. In all cases, sensors and controllers
shall be installed away from heat sources;
2.4 Sensors installed at the bottom of the car, and the
connection between the controller, it is better not to 110V,
220V and other power supply in the same wiring slot;
3. Connect the sensor wiring port to the PG port of the
controller, and connect PV to the power cable according to
the requirements of the weighing device. Be sure to pay
attention to the voltage level;
4. Power on the weighing device after the check is correct,
and the controller should be displayed in the corresponding
working mode.
EWD-L-MSJ4-X1 Series of intelligent elevator weighing device technical documents of the [user manual]
Page
27
26
2019.11
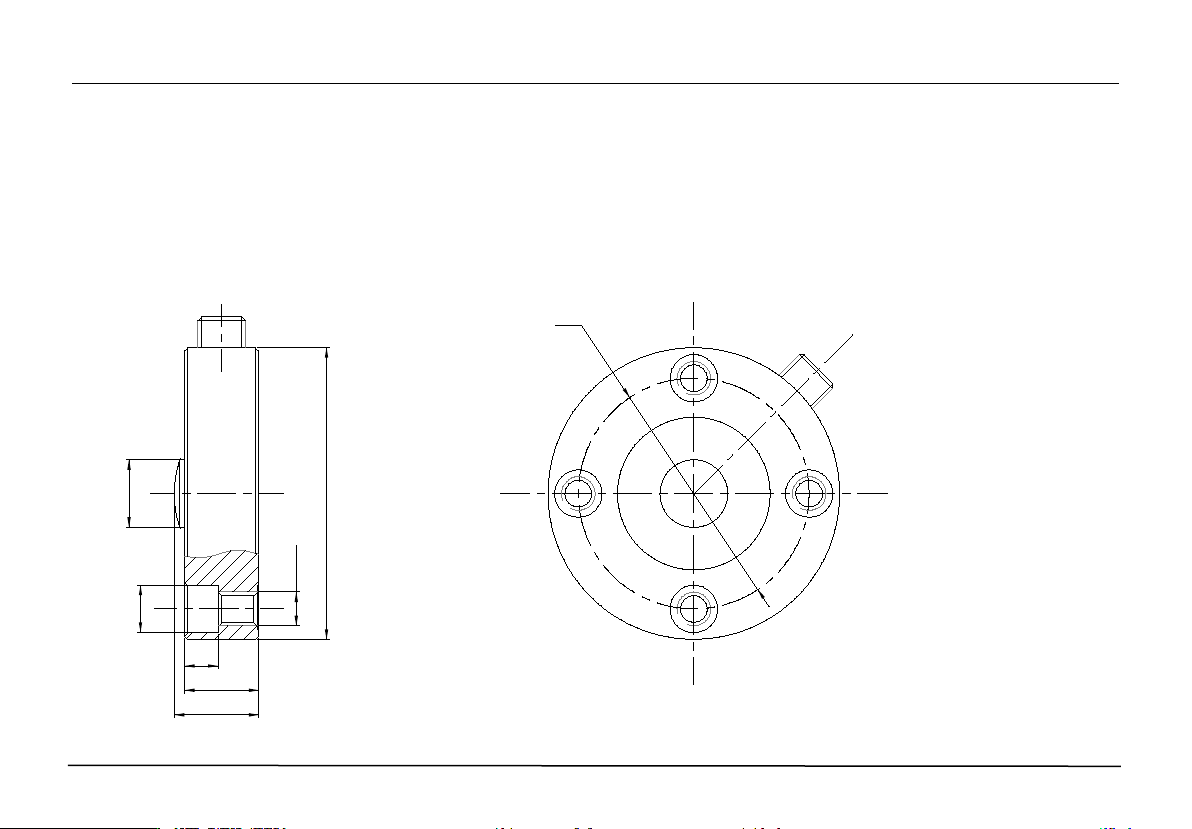
8.XCL-T/A (20) load sensor dimensions and installation method
8.1 size(range :12KN)
8.2 install method
EWD-L-MSJ4-X1Series of intelligent elevator weighing device technical documents of the [user manual]
Page
27
27
2019.11
9.XCL-T/B (20) load sensor dimensions and installation method
9.1
size(range :10KN)