
Technical File of SRSTS-WL-UX Wire rope tension test system
四.
Application scope Working principle and main features
1.Wire rope tension tester application range
Wire rope tension tester has been widely used in many fields. First, it is often used in construction
projects to test the tension of lifting equipment, lifting machinery or other similar devices. Secondly, it is
also necessary to use the tester for the detection of ship mooring lines, various guides and buoys on offshore
platforms in ocean engineering. In addition, there is also a greater demand in the mining industry, bridge
construction and giant mechanical transport.
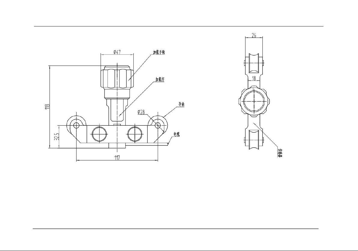
2."Wire rope tension tester" working principle
Wire rope tension tester is a special equipment for measuring wire rope tension. When the wire rope is
stretched, there is a strain, that is, a change in the shape and size of the object. This strain can be detected by
a tension sensor mounted on the wire rope and connected to a digital display or computer. When the wire
rope is stressed, the tension sensor will measure and convert into the corresponding electrical signal, and the
data will be transmitted to the display screen or computer through the cable for processing and output, so as
to achieve the working function of the wire rope stress test.
3.main feature
(1)
The device can accurately measure the tension of the wire rope and provide reliable data as a
reference.
(2)
It can effectively help to check and evaluate the health of the wire rope, timely detection and
avoidance of potential failures and safety hazards.